Rtl2832U Schematic / Plane Plotter 6 4 3 3 Cracked Globe Fastfasr / It translates intermediate frequency signals into digital data, and sends it to the computer over usb.

Rtl2832U Schematic / Plane Plotter 6 4 3 3 Cracked Globe Fastfasr / It translates intermediate frequency signals into digital data, and sends it to the computer over usb.. Originally meant for television reception and streaming the discovery and exploitation of the separate raw mode used in fm reception was perhaps first noticed by eric fry in march of 2010 and then expanded upon by antti palosaari in feb 2012 who found that these devices can output. I used a screwdriver to scratch some traces. It was discovered by hardware hacker eric fry, linux driver developer antti palosaari and the osmocom team who were developing their own sdr that the rtl2832u chip had a mode which enabled. This means that no upconverter circuit is required. It uses 3.3 volts and a 28.8 mhz crystal.

That means you can use a computer (with windows, mac, or linux) to tune into: By oscar steila ik1xpv, ver 0. This was just a test to see if the rtl2832u is still working. By kd0cac » thu jun 04, 2015 1:58 pm. The rtl2832+r820t rf generator hack.

Gqrp Club Low Power Amateur Radio
Gqrp Club Low Power Amateur Radio from www.gqrp.com
The rtl2832+r820t rf generator hack. Anything involving rf needs the correct layout or performance will be terrible. This includes both the orginal mfgs datasheet as well as schematic and bom for the pcb design. Rtl2832u, and this can enable hf reception. The following are the names of some common devices, but others not listed here will work if their usb id is the same: Realtek 3.3v single chip fast ethernet controller with power management. Opening up a contemporary rtl2832u+e4000 receiver, we can see they were relatively simple affairs. Fm radio, am signals (but not am radio), cw (morse code!), unencrypted radio signals (such as those used by many police and

Realtek 3.3v single chip fast ethernet controller with power management.

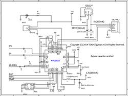
By kd0cac » thu jun 04, 2015 1:58 pm. Schematic isn't the only thing you need. Several improvements over generic brands including use of the r820t2 tuner, improved component tolerances, a 1 ppm temperature compensated oscillator (tcxo), sma f connector, aluminium case with passive cooling, bias tee circuit and break out pads for easy direct sampling modification. The rtl2832u samples at 28.8 mhz, so 0 That means you can use a computer (with windows, mac, or linux) to tune into: Integrated gigabit ethernet controller for pci express tm. It uses 3.3 volts and a 28.8 mhz crystal. Confidential © 2011 by rafael microelectronics, inc. From a first, cursory reading of the e4000 datasheet, it appears that perhaps most of the functionality exposed by librtlsdr (eg. This was just a test to see if the rtl2832u is still working. The realtek rtl2832u is a 6 mm square chip (qfn) with 12 pins per side. Wireless lan access point/gateway controller. Powerful rtl2832u and r820t tuner, it can tune into signals from 24mhz to 1850mhz.

This is useful because the r820t/2 tuner can only tune down to about 24 mhz at the lowest. Anything involving rf needs the correct layout or performance will be terrible. Packed with the powerful rtl2832u and r820t tuner, it can tune into signals from 24mhz to 1850mhz. Wireless lan access point/gateway controller. Fm radio, am signals (but not am radio), cw (morse code!), unencrypted radio signals (such as those used by many police and

Schematic Yu3ma Net
Schematic Yu3ma Net from mikikg.files.wordpress.com
Schematic isn't the only thing you need. The following are the names of some common devices, but others not listed here will work if their usb id is the same: Powerful rtl2832u and r820t tuner, it can tune into signals from 24mhz to 1850mhz. This includes both the orginal mfgs datasheet as well as schematic and bom for the pcb design. A simple serial command line interface to access registers and set frequency & gain parameters. Confidential © 2011 by rafael microelectronics, inc. Also featuring airspy, hackrf, fcd, sdrplay and more. The realtek rtl2832u is a 6 mm square chip (qfn) with 12 pins per side.

Depending on the particular model it could receive frequencies from 500 khz up to 1.75 ghz.

The next step was to attach this board to a larger pcb with pinheaders and usb connector. The rtl2832+r820t rf generator hack. Anything involving rf needs the correct layout or performance will be terrible. I used a screwdriver to scratch some traces. Packed with the powerful rtl2832u and r820t tuner, it can tune into signals from 24mhz to 1850mhz. It was discovered by hardware hacker eric fry, linux driver developer antti palosaari and the osmocom team who were developing their own sdr that the rtl2832u chip had a mode which enabled. This is useful because the r820t/2 tuner can only tune down to about 24 mhz at the lowest. Realtek 3.3v single chip fast ethernet controller with power management. Fm radio, am signals (but not am radio), cw (morse code!), unencrypted radio signals (such as those used by many police and fire departments), pocsag pagers, and more. Depending on the particular model it could receive frequencies from 500 khz up to 1.75 ghz. You need to get the r860 and rtl2832u reference designs and datasheets as well. It translates intermediate frequency signals into digital data, and sends it to the computer over usb. By oscar steila ik1xpv, ver 0.

Integrated gigabit ethernet controller for pci express tm. This means that no upconverter circuit is required. With a powerful, configurable receiver. The good news is that the new kid on the block the rtl2832u / r820t looks like a worthy replacement. Fm radio, am signals (but not am radio), cw (morse code!), unencrypted radio signals (such as those used by many police and fire departments), pocsag pagers, and more.

Software Defined Radio Wikipedia
Software Defined Radio Wikipedia from upload.wikimedia.org
Schematic isn't the only thing you need. This was just a test to see if the rtl2832u is still working. From a first, cursory reading of the e4000 datasheet, it appears that perhaps most of the functionality exposed by librtlsdr (eg. Fm radio, am signals (but not am radio), cw (morse code!), unencrypted radio signals (such as those used by many police and fire departments), pocsag pagers, and more. The rtl2832+r820t rf generator hack. Fm radio, am signals (but not am radio), cw (morse code!), unencrypted radio signals (such as those used by many police and Rtl2832u, and this can enable hf reception. The realtek rtl2832u is a 6 mm square chip (qfn) with 12 pins per side.

This means that no upconverter circuit is required.

The following are the names of some common devices, but others not listed here will work if their usb id is the same: A simple serial command line interface to access registers and set frequency & gain parameters. Several improvements over generic brands including use of the r820t2 tuner, improved component tolerances, a 1 ppm temperature compensated oscillator (tcxo), sma f connector, aluminium case with passive cooling, bias tee circuit and break out pads for easy direct sampling modification. Preliminary version r820t high performance low power It translates intermediate frequency signals into digital data, and sends it to the computer over usb. Wireless lan access point/gateway controller. That means you can use a computer (with windows, mac, or linux) to tune into: This includes both the orginal mfgs datasheet as well as schematic and bom for the pcb design. The good news is that the new kid on the block the rtl2832u / r820t looks like a worthy replacement. The rtl2832+r820t rf generator hack. Packed with the powerful rtl2832u and r820t tuner, it can tune into signals from 24mhz to 1850mhz. Realtek 3.3v single chip fast ethernet controller with power management. It was discovered by hardware hacker eric fry, linux driver developer antti palosaari and the osmocom team who were developing their own sdr that the rtl2832u chip had a mode which enabled.

Rtl2832u, and this can enable hf reception rtl2832u. Confidential © 2011 by rafael microelectronics, inc.

Comments